Nedávno, jsem koupil Ericssona A2618. Za ty peníze je to dobrý stroj, funkcí má dostatek, snad by jen mohl být upgrade firmware s u nás funkčním Wapem. Neškodilo by taky trochu zrychlit reakce telefonu.
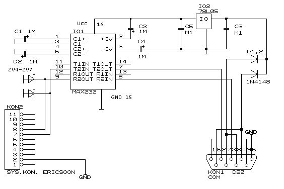
Jako člověk zvídavý jsem neváhal ani okamžik, koupil jsem systémový konektor (označen jako konektor pro T28, R320 ), MAX232 a vyrobil jsem převodník RS232 na 3V logiku.
Můj cíl byl mít vlastní animované úvodní logo. Jelikož se tato problematika nikde příliš nepublikuje, nevěděl jsem přesně jak zapojit kabel z PC do Erika, dále mi nebyl jasný způsob tvorby animace. Software MyAnimation.exe pro A2618 a MyAnimation.exe pro T20 totiž nabízel jen sady statických obrázků. Po zapojení kabelu viz. obrázek


Po nahrání obrázku do mobilu si v menu "Nastavení-Displej-Pozdrav" zvolíme "Vlastní anim." Telefon přejde do podmenu "Vlastní animace" s volbami "Náhled, Animace zvuk, Přechod". "Náhled" nám přehraje vlastní animaci na rozdíl od Dema v příslušenství !!, které bude stále předvádět orginální animaci Ericssonu.
"Animace zvuk" nabídne volbu "zapnuto, vypnuto". Po volbě "zapnuto"se přeneseme do menu pro volbu melodie, které je stejné jako menu výběru vyzváněcích melodií. V menu si vybereme melodii, kterou nám telefon přehraje během animace tj. při zapnutí.Volba "Přechod" nám pak konečně vyjasní co u Ericssonů mysleli slovem vlastní animace. Tímto se v Ericssonu označuje způsob střihu obrázku na displej a z displeje. Jsou zde tyto možnosti: "Kryt dole", "Kryt nahoře", "Kryt vpravo", "Kryt vlevo", což jsou vlastně tzv. stírací efekty - odjezd obrázku do strany, nahoru nebo dolů. Další volba je "Prolnout", což je vlastně stmívací efekt. Posledním efektem je "K odeslání", který způsobí náběh obrazu ze středu (něco jako nafouknutí).
Výrobu kabelu doporučuji jen zkušeným osobám, telefon by asi nesnesl 12V z COM portu, byla by to jeho poslední akce. Uvedené schémata není dogma. Lze použít i jiný převodník RS232 na logiku 3/0V. např.
kabel pro Siemense.
Za škody vzniklé během natahování loga a při dalším využití popisovaného kabelu neručím.
Náklady na materiál pro výrobu datového kabelu, se pohybují kolem 200Kč. (Datový konektor jsem koupil v Ostravě u firmy Phobos za cca 110 Kč.
Aktualizace 18.3.2001